采集模块采用32位通用高性能嵌入式MCU自带2路CAN控制器配多片多路Σ、△型24位A/D、16位D/A芯片组成,不改变线路板可完全兼容国产化,与国外进口芯片,通过选用器件级别由目前工业级升级至军工级。
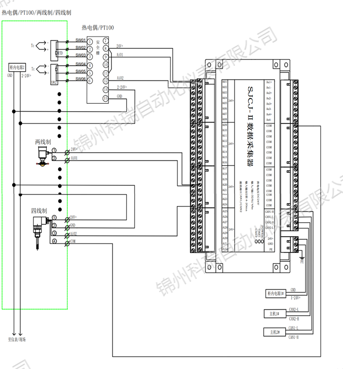
每个通道均可以分别设置多种量程;通道采用光电隔离技术,避免各个通道采集模拟量时受到干扰;CAN通讯接口使用标准协议,符合工业标准。船舱信息采集箱可接入PT100热电阻或各型热电偶信号,4~20mA 标准信号, 4~20mA模拟量输出。
通信接口采用双CAN总线,支持标准通信协议,可以直接上位机系统等进行组网连接。
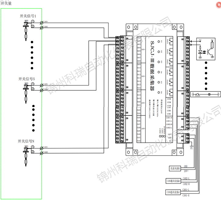
开关量

模拟量

设定地址拨码开关

采集模块板卡形式



接线图、尺寸图


